Note de ce sujet :
  • Moyenne : 5 (1 vote(s))
  • 1
  • 2
  • 3
  • 4
  • 5
Bornes Wago à 3 étages P/N/PE
#1
Bonjour

Est-ce que quelqu'un a déjà essayé les bornes d'installation Wago ref. 2003-6646 ?

Ces ont des bornes à 3 étages : P/N/PE, de volume réduit, normalement faites pour s'associer avec des bornes dotées d'un sectionnement du neutre (fonction dont je n'ai pas besoin), mais que rien n'empêche d'utiliser seules.

À la différence de leur cousines les 2003-7646 (prévues, elles, pour s'associer avec des bornes où le neutre est pris sur une barre collectrice, fonction également inutile pour moi) les 2003-6646 ont deux avantages :
  • elles disposent 2 rangées de bornes de pontage au lieu d'une;
  • les bornes de pontages sont du bon côté (disons côté "brassage") : sur les 2003-7646, l'unique borne de pontage phase est du côté "ligne", donc elle est masquée par le fil de neutre, qui chez moi est rigide, ce qui rend compliqué la mise en place des pontages. 
Seul problème, leur taille.

Bizarrement, le catalogue indique une hauteur de 44,3 mm, le site web 45,2. Et moi je me demande, du coup, si ça rentre sur un rail DIN "normal" d'un coffret "normal", à côté d'appareillages modulaires, protégé par un plastron qui normalement ne tolère qu'une hauteur de 44 mm, qu'il faut en plus équiper d'obturateurs dont les clips de fixation engagent un peu le volume normalement dévolu à l'appareil.
J'ai peur aussi d'être enquiquiné par les fils au moment de remettre le plastron.

Bizarre aussi que je ne trouve pas chez Wago, une gamme de bornes P/N/PE qui rentrent sans problème dans un coffret, avec 2 rangées de pontage pour la P et le N, et du bon côté... Comme quoi, ils ont beau avec des millions de références, il en manque toujours une…
Répondre
#2
Salut

Il n'y a pas de Rail DIN normal ou anormal. Un rail din c'est un rail DIN, tout équipement prévue pour du rail din rentrera dan un rail din.

Je crois que tu reponds tout seul a la question, si tu rajoutes les fils ca risque de ne pas passer.


Citation :Bizarre aussi que je ne trouve pas chez Wago, une gamme de bornes P/N/PE qui rentrent sans problème dans un coffret, avec 2 rangées de pontage pour la P et le N, et du bon côté... Comme quoi, ils ont beau avec des millions de références, il en manque toujours une…

La réponse est simple, on ne met pas de borne habituellement dans un coffret domestique

Pour mettre des bornes il faut utiliser des coffret Tertiaire ou industriel sont plus profond ou qui permettent parfois d'ajuster la position du rail.
KNX Partner Base / Avancé

Ma boite de MP est pleine, merci de créer un post si vous avez une question, cela profitera a tout le monde.
Répondre
#3
(19/11/2020, 10:24:26)filou59 a écrit : Salut

Il n'y a pas de Rail DIN normal ou anormal. Un rail din c'est un rail DIN, tout équipement prévue pour du rail din rentrera dan un rail din.

[...]

Pour mettre des bornes il faut utiliser des coffret Tertiaire ou industriel sont plus profond ou qui permettent parfois d'ajuster la position du rail.

Je savais que j'étais un peu vague en utilisant ce terme "normal". C'est pour cette raison que je l'ai mis entre guillemets.
J'aurais peut-être dû dire rail DIN implanté dans un coffret avec une profondeur pour appareillage modulaire courant (ou... normal).

Pour autant, "normal" c'est bien le terme qu'un fabricant utilise dans sa doc (p/j)... et cette armoire n'a rien d'une armoire domestique.
Quant à la possibilité de mettre des bornes d'installation 3 étages sur le même rail que des appareils modulaires, ça me semble un usage qu'on ne devrait considérer qu'en usage domestique...

La position des plastrons par rapport au rail n'a pas l'air constante : apparemment il y a de petites variations en fonction des modèles de coffrets. Ici, dans cet exemple c'est 46 mm. J'en ai vu d'autres où il est annoncé 47 mm, donc ça doit pouvoir passer... sauf qu'il y a les obturateurs ; et les miens (Hager) ont des sortes de clips assez profonds (d'un seul côté).

C'est pour ça que je voulais savoir si quelqu'un avait une expérience avec ces bornes-là, avant d'en commander… (elles valent vite le double des 2003-7646)


Pièces jointes Miniature(s)
   
Répondre
#4
Bonjour,

J'étais aussi confronté à un problème de hauteur dans un tableau type Hager domestique. Je me suis rabattu sur des bornes double étage au lieu de triple. En les associant par trois (deux bornes V/J+N et une borne pour deux phases) j'ai trouvé que c'était un bon compromis.
J'avais aussi besoin de ponter certaines connexions, donc disposer de 3 branchements de conducteurs par ligne était pratique.

http://www.knx-fr.com/showthread.php?tid...7#pid28157
Répondre
#5
Bonsoir

Le sujet m'ayant turlupiné, et ayant eu du mal à trouver des informations faisant référence sur les dimensions des appareils modulaires, j'ai passé une partie de mon WE à faire un travail de recherche que j'ai consigné sur Wikipédia: j'ai lourdement mis à jour la page sur les Rail DIN et j'ai aussi créé une sur l'appareillage modulaire.

Bizarrement, le sujet ne semble régi que par une norme DIN 43880 de 1988 ! Pas d'EN, ou de IEC ou d'ISO… Ça parait étonnant quand on voit à quel point ce standard est universellement répandu.

En tout cas, j'ai trouvé une copie un peu pourrie de la norme que voici.
[Image: 2273565.jpg]
On n'arrive pas très bien à lire mais ce n'est pas grave car d'autres documents comme celui-ci reprennent les informations.

Et sinon, cette documentation commerciale les complète avantageusement, en reprenant les principales informations.

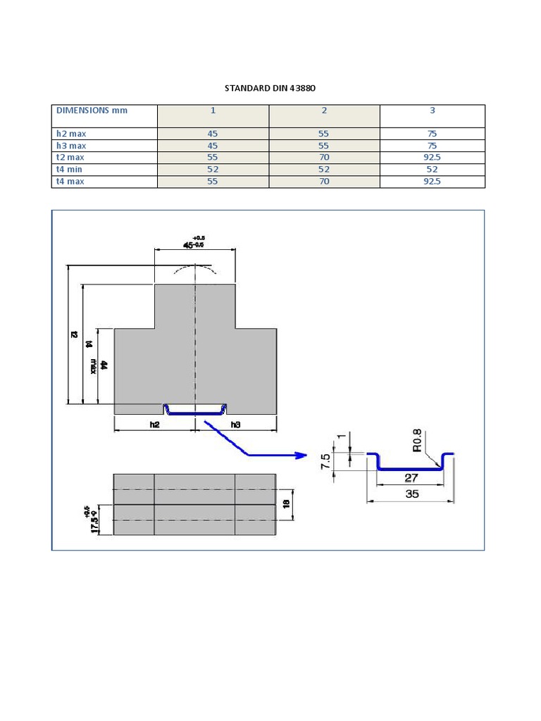
Je retiens donc que la profondeur à respecter derrière le plastron (mesuré à partir du dessus du rail DIN) est bien 44 mm, sachant que le plastron n'est jamais tout contre (le doc ci-dessus annonce de nouveau 47 mm mais je n'ai pas réussi à trouver si c'était un standard).
La hauteur des appareils, elle, est limitée à 90 mm pour des appareils de moins 25 A, 110 mm pour des appareils de moins de 63 A et 150 mm au delà (jusqu'à 100 A). Je retiens donc 110 mm (mes coffrets ont un espacement de 150 mm en rails DIN).

Du coup, quand je vois que les bornes WAGO 2002-6646 font 110 mm × 44,3 mm (ou 45,1 selon la source), ce n'est sans doute pas le fruit du hasard et qu'il y a peut-être bien eu une volonté de concevoir un bornier qui rentre à la place d'appareillages modulaires.

Quant au prix, vu que j'ai trouvé une offre isolée (52 € la boîte de 50), j'en ai commandé un petit stock. Je vous raconterai le résultat.
Répondre
#6
Bon j'ai reçu mes bornes Wago 2003-6646 et j'ai pu faire mes essais.

Évidemment, les fils doivent être pliés à 90°, mais ça passe très bien.
Les clips des obturateurs ne posent pas de problème.

Je ne peux donc que conseiller ce modèle (et ses variantes) plutôt que les 2003-7646, pour les raisons que j'ai déjà évoquées.


Pièces jointes Miniature(s)
   
Répondre
#7
Bonjour,

J'avais hésité entre 2003-7642 et 6642 pour mes borniers (donc sans marquage).
Au final j'ai tout fait avec des 7642 qui sont un poil moins haute et qui effectivement se cablent bien. DOnc les 3/4mm de plus pour la 6646 ne doivent pas poser beaucoup plus de problème, mais attentiton quand même, avec du fils en 2.5mm2, on peut pas facilement plier au plus court.

Attention aussi à la longueur des bornes, elles font quand même presque 1,5cm de plus, sachant que dans mon tableau pour mettre un actionneur (par exemple) sous les WAGO c'est déjà très sport, ya pratiquement pas de marge, donc avec des bornes plus longues...

Par contre j'avais pas vu à l'époque le double pontage et ça ça m'aurait bien servi. D'ailleurs je pensais qu'on pouvait mettre 2 peignes dans les bornes de pontage, mais soit j'avais faux, soit je sais pas faire, soit c'était pas les bonnes bornes de pontage mais je n'ai pas réussi.

Donc effectivement, si ça passe, le design des 6646 semble vraiment plus confortable pour le pontage, et amener les 3 conducteurs au même endroit simplifie un peu le cablage (même si pour la terre, on se fiche de savoir qui va avec qui, c'est plus propre de tout avoir au même endroit).

Reste le tarif qui est assez différent, mais bon sur le budget global de l'installation, c'est pas grand chose.
Répondre
#8
(30/11/2020, 14:12:32)cocothebo a écrit : Attention aussi à la longueur des bornes, elles font quand même presque 1,5cm de plus, sachant que dans mon tableau pour mettre un actionneur (par exemple) sous les WAGO c'est déjà très sport, ya pratiquement pas de marge, donc avec des bornes plus longues...

Tu dois avoir un petit coffret avec un entraxe de 125 mm entre les rangées. Pour des borniers de 110 mm, ça doit effectivement être très juste.

Par contre, pour les coffrets avec un entraxe de 150 mm, ça passe et il y a même la place pour intercaler une goulotte (si le modèle d'armoire le prévoit).

(30/11/2020, 14:12:32)cocothebo a écrit : Par contre j'avais pas vu à l'époque le double pontage et ça ça m'aurait bien servi. D'ailleurs je pensais qu'on pouvait mettre 2 peignes dans les bornes de pontage, mais soit j'avais faux, soit je sais pas faire, soit c'était pas les bonnes bornes de pontage mais je n'ai pas réussi.

Il existe des peignes de pontage normaux et des peignes fins intercalables. Les normaux (2002-40x et 2002-43x) occupent toute la largeur de la rangée de pontage : on ne peut en mettre qu'un par rangée. Les fins 2002-47x font la moitié de la largeur : on peut en mettre deux en parallèle mais il ne peut y avoir qu'une seule broche à la fois par borne.
Après, il y a aussi les contacts pour pontage continu 2002-400 et 2002-423. Ceux-ci font toute la largeur de la rangée de pontage mais on peut les enchainer, avec 2 broches dans la même borne.
Tout ça est pas trop mal expliqué aux pages 152 et suivantes du catalogue https://www.wago.com/fr/d/Info_60419228
Répondre
#9
(30/11/2020, 15:21:32)Dibou a écrit :
(30/11/2020, 14:12:32)cocothebo a écrit : Attention aussi à la longueur des bornes, elles font quand même presque 1,5cm de plus, sachant que dans mon tableau pour mettre un actionneur (par exemple) sous les WAGO c'est déjà très sport, ya pratiquement pas de marge, donc avec des bornes plus longues...

Tu dois avoir un petit coffret avec un entraxe de 125 mm entre les rangées. Pour des borniers de 110 mm, ça doit effectivement être très juste.

Par contre, pour les coffrets avec un entraxe de 150 mm, ça passe et il y a même la place pour intercaler une goulotte (si le modèle d'armoire le prévoit).

(30/11/2020, 14:12:32)cocothebo a écrit : Par contre j'avais pas vu à l'époque le double pontage et ça ça m'aurait bien servi. D'ailleurs je pensais qu'on pouvait mettre 2 peignes dans les bornes de pontage, mais soit j'avais faux, soit je sais pas faire, soit c'était pas les bonnes bornes de pontage mais je n'ai pas réussi.

Il existe des peignes de pontage normaux et des peignes fins intercalables. Les normaux (2002-40x et 2002-43x) occupe toute la largeur de la rangée de pontage : on ne peut en mettre qu'un par rangée. Les fins 2002-47x font la moitié de la largeur : on peut en mettre deux en parallèle mais il ne peut y avoir qu'une seule broche à la fois par borne.
Après, il y a aussi les contacts pour pontage continu 2002-400 et 2002-423. Ceux-ci font toute la largeur de la rangée de pontage mais on peut les enchainer, avec 2 broches dans la même borne.
Tout ça est pas trop mal expliqué aux pages 152 et suivantes du catalogue https://www.wago.com/fr/d/Info_60419228

Ah ben voila Smile
En lisant un peu vite j'avais déduit qu'on pouvait mettre 2 broches d'un 2002-47x dans une borne et donc c'est juste qu'on peut faire des ponts intercallés...Si j'avais mieux lu le catalogue Wink

Pour le tableau j'ai des "classiques" domestique, des Schneider Elec Resi 9, effectivement ça doit etre du 125mm d'entraxe, donc effectivement avec un coffret avec 150mm d'entraxe ça doit être un peu plus confortable malgré le 1,5 cm de plus.

C'est un point important à noter tout de même, sur un tableau "grand public", la borne risque d'etre un poil profonde et surtout trop longues pour être facilement utilisables.
Répondre
#10
(30/11/2020, 17:37:52)cocothebo a écrit : En lisant un peu vite j'avais déduit qu'on pouvait mettre 2 broches d'un 2002-47x dans une borne et donc c'est juste qu'on peut faire des ponts intercallés...Si j'avais mieux lu le catalogue Wink

Pas mieux !
Rassure toi, j'avais cru la même chose que toi en étudiant le catalogue et c'est en essayant que j'ai réalisé mon erreur. Après coup, en revenant, la photo du bas de la colonne du milieu page 154 est assez explicite, sans parler de sa légende :

Citation :Deux ponts intercalables dans un seul canal de pontage
Il est possible d’utiliser plusieurs ponts indépendants,
pour obtenir un bornier multi-potentiel. Pour réaliser ces
ponts intercalables, il faut veiller à ce qu’une seule borne
soit en contact avec une seule broche.
Ainsi, les bornes seront correctement pontées et intercalées.
Il faut bien pousser les peignes de pontage jusqu’en
butée.

Et là, évidemment on se prend à rêver de peignes qui seraient intercalables ET pour pontage continu... mais ça n'existe pas... d'où l'intérêt des deux rangées Smile
Répondre
#11
Quitte à faire la promotion des produits Wago, j’en profite pour ajouter que je viens de tester leur outil de manipulation réf. 2009-309.
Jusqu’à présent j’utilisais un bête tournevis pour retirer des fils, ou mettre en place des fils souples, mais j’avoue qu’avec cet outil c’est le jour et la nuit !
D’abord, l’outil a exactement les dimensions adaptées : ça fonctionne à tous les coups. Ensuite, le fait que la tige métallique soit tordue change tout, ainsi que la poignée qui permet de « bourriner » confortablement, si besoin.
C’est un peu cher pour ce que c’est (15 à 20 €) mais pour ma part, je ne regrette pas l’investissement.

Nota : les 210-648 et 210-658 doivent être équivalents. Et pour des bornes plus grosses, il y a des modèles plus grands
Répondre
#12
il y a des bornes "PUSH IN" que tu peux dévérouiller avec un stylo, je ne connais pas en wago, après je ne sais pas si cela existe en 3 étages L/N/PE
Répondre
#13
Dibou: Pour avoir les outils* WAGO , je conseille plutot les petits modele : 210-648 et 210-658.
Le 2009-309 est un peu trop gros/grand dans certaines situation ou l'accessibilité est précaire.

Dans la pratique le 210-658 avec la petite lame sufira dans 99% pour les particulier, il faut des tres grosses borne pour avoir besoin de plus.

**Au cas ou, petit précision : On parle ici d'outil, ce ne sont pas des lames faite pour faire du vissage.

chriks : il y a ce type de borne ou aussi des bornes sans outils a levier, cela n'existe il me semble que sur un etage chez WAGO il me semble.
KNX Partner Base / Avancé

Ma boite de MP est pleine, merci de créer un post si vous avez une question, cela profitera a tout le monde.
Répondre
#14
chriks : il y a ce type de borne ou aussi des bornes sans outils a levier, cela n'existe il me semble que sur un etage chez WAGO il me semble.
[/quote]
En phoenix il y en a en 2 étages L/N ou L/L mais il n'y en a pas en L/N/PE
Répondre
#15
Bonjour,
J’espère que je ne vais pas poser une question qui a déjà été répondu : 

Suite à vos différentes interventions j’ai choisi pour les bornes 2003 6646 et la 2003 6642  et du 2002 400 en connecteur de borne. Je devais utiliser la 6642 pour mes VR en fin de projet et en attendant pour mes boutons poussoirs car je suis en électricité classique même si j’ai pris la précaution de ramener tout le câblage direct tableau. Mon fournisseur knx shop est en rupture de stock 6642 depuis 1 mois, en attendant  je voulais savoir si je pouvais utiliser la 2003 7642 pour mes boutons poussoir, bien que j’ai conscience que la 7642 n’as qu’une borne collectrice contrairement à la 6642. 
Pensez-vous que la 7642 peu etre ponté avec du 2002 400 ou je doit changé ?
Mes separateurs de borne plaque orange de finition 2003 6692 prevue pour 2003 6646 et 6642 pourons separer du 2003 7642 ? Merci 
Répondre
#16
Bonjour

Le pontage entre des 2003-76xx peut se faire avec des ponts 2002-400.
Sauf cas particulier, ces ponts 2002-400 sont utilisables sur toutes les bornes des séries 2002 et 2003.

Par contre les 2003-66xx ne font pas bon ménage avec les 2003-76xx : les bornes ne sont pas alignées et les plaques orange de finition sont différentes (les plaques de finition orange des 2003-76xx sont les 2003-7692).

La photo de la page 198 du catalogue (1re pièce jointe) les montre les unes à coté des autres.
De gauche à droite :
  • plusieurs 2003-6641 (avec deux 2003-6644 intercalées),
  • une 3009-305 (support de barre),
  • deux 2005-7641 et deux 2005-7646 alternées,
  • cinq 2003-6641
  • six 2003-7641 et deux 2003-7642 alternées à la fin
  • deux 2016-7714 (alimentation barre de neutre)
  • cinq 2003-7641
  • une 3009-305 (support de barre de neutre)
  • une 2016-7607
  • une 2016-7601
  • trois 2016-7604
(je n'ai pas mentionné les plaques oranges)
J'ai mis en gras l'endroit où on voit bien le décalage entre les 2003-66xx et les 2003-76xx


Moi, j'ai principalement des 2003-7646, et pour toutes les situation où j'ai des fils supplémentaires aux trois fils de base P, N, PE (notamment les volets où il y a un P en plus, mais également les situations, type P/P/N, ou P/P/P/N ou 5G (3P/N/PE), j'apparie un 2003-7646 avec un 2003-7642 (dont je n'utilise parfois qu'une borne).
J'utilise avantageusement les pontage 2002-423 qui permettent de "sauter" une borne. voir 2e pièce jointe


Pièces jointes Miniature(s)
       
Répondre
#17
Merci beaucoup pour les infos et les photos qui m’éclairage Dibou , 3 décalages: profondeur ,milieu du rail vers le haut et milieu du rail vers le bas impossible de les melangés  , mauvaise nouvelle pour moi je doit acheter des 2003 7646  et 2003 7642  . Ta Photos pj n2 me rassure quand meme et me me fait douter sur un point que je pensais compris :

Je pensais que pour les bornes 2003 7646 ne pouvais etre ponté phase et neutre de la meme borne . Pourtant tes bornes numeros 45 et 46 sur le 2 eme pj sont bien ponté  N et P non ? Si oui tu as utilisé du 2002 400 ? Pourquoi deux connecteur pour P et deux pour N ? 
Cela est-il également possible avec la 2003 7642 :borne1 = l1 +l2 
borne2 =l3 + l4 . Pont entre l1 et l3 est pont entre l2 et l4 ?.
Les cables sur les bornes 64 ,66 c’est du 2,5 mm ? Merci pour l’aide car vraiment des queues de singes a démêler  c wago.
Répondre
#18
(15/01/2022, 22:31:24)bellerophon a écrit : Je pensais que pour les bornes 2003 7646 ne pouvais etre ponté phase et neutre de la meme borne .
Pourtant tes bornes numeros 45 et 46 sur le 2 eme pj sont bien ponté  N et P non ? Si oui tu as utilisé du 2002 400 ? Pourquoi deux connecteur pour P et deux pour N ? 

Je ne suis pas sûr de te suivre.

Les bornes 45 et 46 correspondent à deux détecteurs de fumées mis en parallèle. Donc, oui les deux neutres sont reliés entre eux et les deux phases aussi.
Il n'y pas deux pontages pour P et deux pontages pour N, mais bien un seul à chaque fois. C'est la forme des pontages 2002-400 avec une trace de moulage du plastique qui donne l'impression qu'il y en a 2 décalés.
Je te mets en pièce jointe une photo qui montre le cas prises mises en parallèle par 2, 3, 4, 5. On voit tout l'intérêt de ces pontages continus.

(15/01/2022, 22:31:24)bellerophon a écrit : Cela est-il également possible avec la 2003 7642 :borne1 = l1 +l2 
borne2 =l3 + l4 . Pont entre l1 et l3 est pont entre l2 et l4 ?

Pas 100 % sûr de comprendre ta question mais si ce que tu veux faire c'est relier à la fois le neutre et la phase de deux bornes, oui, c'est possible. C'est même fait pour !

(15/01/2022, 22:31:24)bellerophon a écrit : Les cables sur les bornes 64 ,66 c’est du 2,5 mm ?

Ça aurait pu : 2,5 mm² est la section nominale des bornes séries 2002 et 2003 (elles supportent même du 4 mm², mais attention quand même les pontages sont limités à 21 A). Mais là, c'est du 1,5 mm² gris avec une gaine thermorétractable bleue. Avant les câbles 4G étaient Noir/Marron/Bleu/Vert-jaune ce qui allait bien pour les volets (c'est le cas pour les bornes 47 à 62), maintenant ils sont Noir/Marron/Gris/Vert-jaune et il font donc utiliser du 5G pour avoir le bleu. Je ne savais pas et me suis fait avoir (avec les plus récents, bornes à partir de 64 ) et, plutôt que de changer les câbles, j'ai gainé toute la partie apparente du fil gris en bleu, d'où cette surépaisseur visible (et un bleu plus clair).
La NF C 15-100 le tolère à titre exceptionnel.


Autre remarque qui peut être utile : on voit sur mes photos que les connecteurs de pontage supportent l'enjambement d'une plaque d'extrémité orange. Il faut un peu forcer, ça tord légèrement le connecteur, il est plus difficile à retirer, mais ça marche. C'est utile lorsque comme moi on utilise des plaques oranges pour faciliter le repérage.


Pièces jointes Miniature(s)
   
Répondre
#19
(15/01/2022, 23:02:58)Dibou a écrit :
(15/01/2022, 22:31:24)bellerophon a écrit : Je pensais que pour les bornes 2003 7646 ne pouvais etre ponté phase et neutre de la meme borne .
Pourtant tes bornes numeros 45 et 46 sur le 2 eme pj sont bien ponté  N et P non ? Si oui tu as utilisé du 2002 400 ? Pourquoi deux connecteur pour P et deux pour N ? 

Je ne suis pas sûr de te suivre.

Les bornes 45 et 46 correspondent à deux détecteurs de fumées mis en parallèle. Donc, oui les deux neutres sont reliés entre eux et les deux phases aussi.
Il n'y pas deux pontages pour P et deux pontages pour N, mais bien un seul à chaque fois. C'est le forme des pontages 2002-400 avec une trace de moulage du plastique qui donne l'impression qu'il y en a 2 décalés.
Je te mets en pièce jointe une photo qui montre le cas prises mises en parallèle par 2, 3, 4, 5. On voit tout l'intérêt de ces pontages continus.

(15/01/2022, 22:31:24)bellerophon a écrit : Cela est-il également possible avec la 2003 7642 :borne1 = l1 +l2 
borne2 =l3 + l4 . Pont entre l1 et l3 est pont entre l2 et l4 ?

Pas 100 % sûr de comprendre ta question mais si ce que tu veux faire c'est relier à la fois le neutre et la phase de deux bornes, oui, c'est possible. C'est même fait pour !

(15/01/2022, 22:31:24)bellerophon a écrit : Les cables sur les bornes 64 ,66 c’est du 2,5 mm ?

Ça aurait pu : 2, 5 mm² est la section nominale des bornes séries 2002 et 2003 (elles supportent même du 4 mm², mais attention quand même les pontages sont limités à 21 A). Mais là, c'est du 1,5 mm² gris avec une gaine thermorétractable bleue. Avant les câbles 4G étaient Noir/Marron/Bleu/Vert-jaune ce qui allait bien pour les volets (notamment ceux de gauche), maintenant ils sont noir/marron/gris/vert-jaune et il font donc utiliser du 5G pour avoir le bleu. Je ne savais pas et me suis fait avoir ( avec les plus récents, à droite) et, plutôt que de changer les câbles, j'ai gainé toute la partie apparente du fil gris en bleu, d'où cette surépaisseur visible (et un bleu plus clair)
La NF C 15-100 le tolère à titre exceptionnel.


Autre remarque qui peut être utile : on voit sur mes photos que les connecteurs de pontage supportent l'enjambement d'une plaque d'extrémité orange. Il faut un peu forcer, ça tord légèrement le connecteur, il est plus difficile à retirer, mais ça marche. C'est utile lorsque comme moi on utilise des plaques oranges pour faciliter le repérage.

Merci Dibou , tu n’étais pas sûre de m’avoir suivi mais tu m’as trouvé  Shy
Les questions n’avais pas toujous du sens mais les reponses, si .
Je suis un peu plus serein .
Répondre
#20
Bonjour à tous

Éloigné du forum depuis plusieurs mois (je suis parti vivre pour quelques temps pour mon travail très très loin de mon installation KNX), je viens compléter cette discussion sur les connecteurs Wago dits d'« installation ».

Il existe maintenant des connecteurs à 3 étages dans les séries 2203 et 2205 (au lieu de 2003 et 2005). La différence est que le démontage se fait avec un bouton poussoir orange au lieu de nécessiter le petit outil 210-648 qui ressemble à un tournevis plat (mais qui n'en est pas un, et qui marche beaucoup mieux qu'un tournevis) et qu'on doit insérer dans une petite fente. Cette brochure explique la différence entre ces deux systèmes TOPJOB. 
À noter qu'ils appellent ça « bouton poussoir », mais il faut quand même un petit outil (tournevis fin) pour appuyer dessus. Notez également que les séries 2203 et 2205 ne sont pas dans le catalogue Wago français en PDF à l'instant où j'écris ces lignes car c'est toujours l'édition de 2019-2020.


Je préconisais ci-dessus le 2003-6646 (configuration N/L/PE en 2,5 mm²), mais on peut dorénavant choisir de lui substituer le 2203-6646 (toujours N/L/PE), voir un modèle hybride avec fente côté amont et bouton-poussoir côté aval (2203-6546).

Et pour des sections plus grosses, il y a le 2205-7646, qui vient potentiellement remplacer le 2005-7646.
Répondre
#21
Cette techno est poussé depuis qq année chez WAGO pour facilité la vie des gens. Car en effet même chez les pro il y en a plein qui ne savent toujours pas comment utiliser une borne a ressort.
Alors ca facilite la vie, c'est plus simple. C'est un peu plus cher.

Alors qu'il suffit simplement de comprendre comment ca marche.
L'outil oui dans certains cas c'est utile de l'avoir mais il n'est en rien obligatoire, si toutes les lames de tournevis ne sont pas adapté aux bornes a ressort on peut trouver qq modele (droit) qui seront en plus isolé et qui sont tout a fait a adapté a ouvrir une borne a ressort

Est que le jeu en vaut la chandèle ?
A chacun de voir.
Pour les petite section :
QQ qui va faire une installation chez lui ? logiquement il fait son install et puis c'est tout, il ne revient pas dessus. Donc c'est juste un gain de temps un oneshot qui coutera un peu plus cher.
Dans le milieu pro, là on peu se dire que c'est un gain de temps, car même le mal dégourdi ira plus vite sans le moindre outillage sur lui.

En 10² ou 16² la je dirais que c'est vraiment appréciable, car avec ce type borne il vaut mieux avoir l'outil adequat car on va pas forcément avoir le tournevis qui va bien qui est assez gros.
Donc là soit on a l'outil WAGO, soit la borne Push-in qui est un vrai plus.
KNX Partner Base / Avancé

Ma boite de MP est pleine, merci de créer un post si vous avez une question, cela profitera a tout le monde.
Répondre


Atteindre :


Utilisateur(s) parcourant ce sujet : 1 visiteur(s)